|
这个发射器组装起来大概用了10分钟,它小到可以直接放在手里面。
依靠天线,这个发射器可以穿越房间和大街发送声音和音乐。

第一步:需要的材料
·
一个1兆赫的晶体振荡器

·
一个音频变压器,这是一个1000欧姆到8欧姆的音频变压器

·
一个普通的印刷电路板
·
一个耳机插头
·
一个9V电池夹和一个9V电池
·
一组弹簧夹跳线
·
一些绝缘线作为天线
第二步:组装
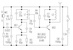
振荡器是发射器的心脏,它又4个引线,我们只用其中的3个。当电源接到其中的2个引线上时,第3个引线上电压就在0V和5V之间跳动,每秒100万次。
振荡器被封装在一个金属盒中,金属盒的角都是圆的,除了右下角那个,它指示了那个未使用的引线在哪。这个引线用来将振荡器固定在电路板上,在振荡器中它不与任何东西相连。
另一个重要部件就是音频变压器,在这个电路中,它被用作调幅器。调幅器改变无线电波的长度,来匹配我们要发送的声音或音乐的响度。
这个发射器的电路图如下:

一个完成的发射器如下图所示:

变压器一边有2根引线,一边有3跟引线。2根引线是低阻抗侧,3根是高阻抗侧。3根引线的中间那根在我们的电路中将不使用。
为了达到最好的效果,我们将变压器的电阻抗侧与振荡器串联。这意味着信号源必须能够驱动重负荷,比如一个8欧姆的扬声器。
如果你想用较弱的信号源,比如iPod或MP3,它们只能驱动32欧姆的耳机,你就要颠倒变压器,使高阻抗侧与振荡器串联。
第三步:发射器的使用
现在我们将测试这个发射器。
将耳机插头插到一个方便的声源,比如CD机,晶体光收音机或录音机。将电池插入电池夹。将发射器放在一个收音机旁,收音机调频到1000,这样你才能听到你的声源。调整声源和收音机的声音以得到最好的声音。
如果天线和地线都不连的话,发射器只能将声音发射10几米远。为了使声音传送得更远,将地线接地,比如冷水管,天线要足够长。
(责任编辑:admin) |