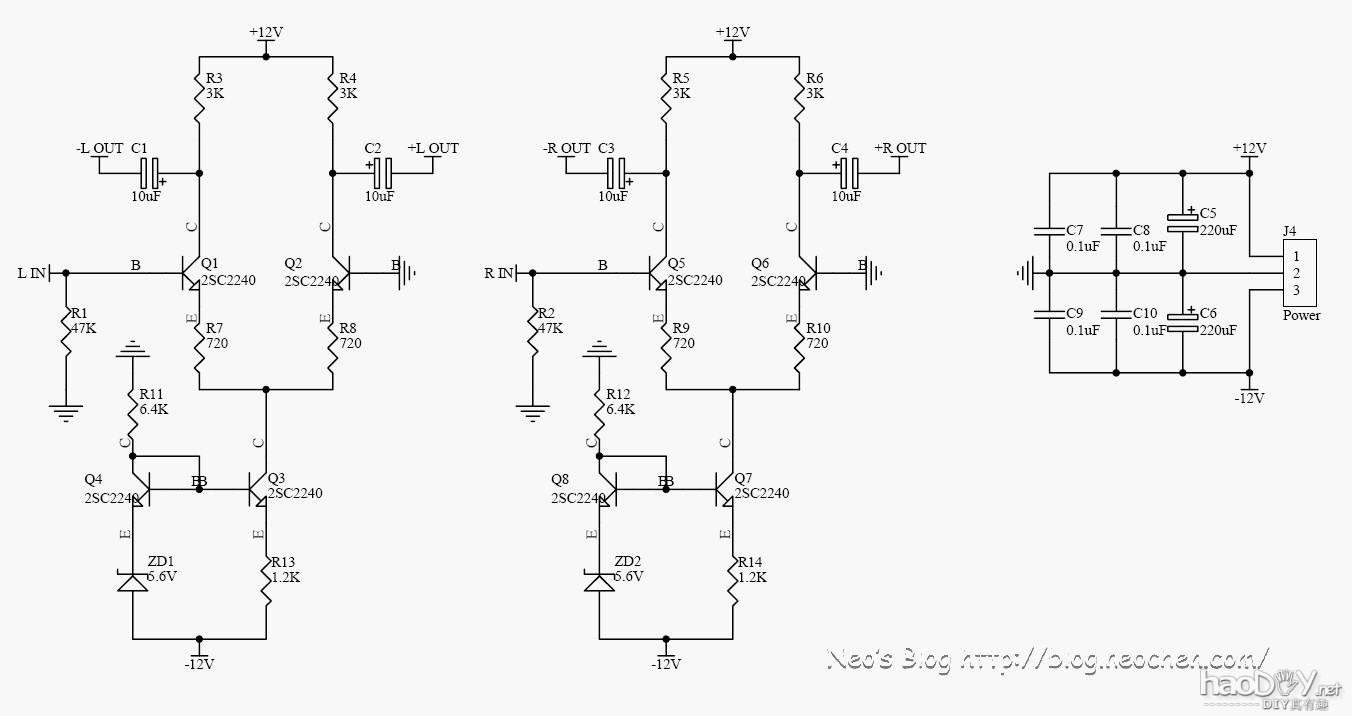
![]() 即將生出來的後級..跟小弟現在手頭上正在製作的某"小怪獸"~~ 都需要用到這個線路,在急用下,就先用手搭了一片.. 有需要用到的同學,也可以試著手搭看看,還蠻簡單易用的 線路圖 ![]() 試做的成品,使用洞洞板手搭完成,經示波器驗證過..可以正確轉換訊號!! ![]() 為了塞入製作中的某"K1000馴獸師",想辦法將整個線路塞到小小的洞洞板!! 背面的走線也還ok~~沒有很多 ![]() (责任编辑:admin) |
![]() 即將生出來的後級..跟小弟現在手頭上正在製作的某"小怪獸"~~ 都需要用到這個線路,在急用下,就先用手搭了一片.. 有需要用到的同學,也可以試著手搭看看,還蠻簡單易用的 線路圖 ![]() 試做的成品,使用洞洞板手搭完成,經示波器驗證過..可以正確轉換訊號!! ![]() 為了塞入製作中的某"K1000馴獸師",想辦法將整個線路塞到小小的洞洞板!! 背面的走線也還ok~~沒有很多 ![]() (责任编辑:admin) |
交换(阶梯式)衰减器无源音量控制 所以我一直想尝试,这些阶梯式的加强了,而现在的...
前一时期,坛友们对MBL 6010的讨论很多,经过投票,论坛响应坛友们的呼声,决定开发MB...
最近发现做前级的朋友多不胜数,一时心血来潮,自己也搭了一个,话说合并机做过很多,...
闲来无聊,仿隔壁JINLIZHPC大侠的电路制一台3DG8分立元件前级,原电路三极管用的是3DG...
简介:自制了一款洞洞板高压分立前级,正负50V甲类并联稳压电源供电,经过几位HI友试...
凭着执着与自信,为自己的锁定的目标而折腾,一路颠簸的走来,从平庸到超越,最终愿望...
马兰士PM功放前级电路
更新:2012-08-23
用仿“MBL6010(ne5534)”机箱,
更新:2012-10-04
一款钻石差分步进音量控制的可控
更新:2012-09-25
六路音频切换器 单片机控制,小
更新:2013-02-22