用EL34制作的合并式电子管胆机功放(3)
时间:2012-08-23 16:38来源:未知 作者:admin 点击:
次
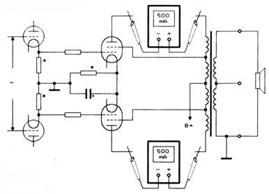
2.A类功放的调试 A类功放管的工作状态必须保持在栅压屏流特性曲线中心的直线部分,因此对A类功放管的栅极负压应进行仔细的调校,以确保平均屏流数值的恒定,功放管的平均屏极电流应控制在100,120mA。 具体的校准
2.A类功放的调试
A类功放管的工作状态必须保持在栅压屏流特性曲线中心的直线部分,因此对A类功放管的栅极负压应进行仔细的调校,以确保平均屏流数值的恒定,功放管的平均屏极电流应控制在100,120mA。
具体的校准方法是,采用直流电流表500mA档,分别串接在功放管的屏极回路内,功放管栅极有音频信号输入时,如果屏极电流升高,则表示该功放管的栅极负压过低;反之,如在有音频信号输入时,功放管的屏极电流随之降低,则表明栅极负压过高。因此,A类功放的屏流变化必须保持在10%左右,如果屏流变化较大时,则表明工作状态不稳定,或已经进入AB类的工作状态之中。

图8 A类功放级屏流校准图
3.AB类功放栅负压调整
AB类功放级的栅负压调整必须在注入音频信号后进行。功放管的栅极负压是对阴极而言,因此,在测量时应将万用电表置于直流电压50V档上,将负表棒接功放管的栅极,正表棒接功放管的阴极。
AB类功放级的屏极电流变化幅度较大,一般从零信号到满载信号时屏极电流变化超过1倍,因此在调校时,将音量控制器置于最小位置时为零信号;置于最大位置时为满信号,各种功放管的特性不同,其屏极电流的变化幅值与栅极负压值亦不相同。
当功放管选用EL34、6CA7时,栅极负压取—26V,其屏极电流的变化从零信号到满信号时为90—180mA;如功放管选用6L6、6P3P时,栅极负压取—22V,则屏极电流的变化值为88—130mA;如功放管选用KT88、6550时,该管的栅极负压比较深,为—46V,故必须相应地增加前级的推动电压才行,其功放级从零信号到满信号时的屏极电流变化幅值较大,一般为120—260mA。

图9 AB类功放级栅负压调整图
整机的初调结束后,再接上输入管阴极与输出级之间的负反馈网络。由于大环路的深度负反馈会给功率放大器的瞬态响应带来较大的危害,故本电路在设计时电性能指标不寄托于大环路负反馈,而致力于放大器各级的局部负反馈,并从电路的直接耦合与阴极输出等方式来提高放大器的品质。
本电路从功放级至输人级的整机负反馈取得非常低,仅控制在6—10dB之间。这样既能保持整机的稳定性,又不影响整机的瞬态响应特性。如接上负反馈电阻后,整机输出增强,则表明输出端子相位接反,此时调换相位即可。当负反馈电阻接上后应使整机噪声减小,频率响应展宽,整机稳定性提高。
整机调试中如未出现异常现象,即可从输人端注入音频信号进行试听。如将CD、VCD、DVD、卡座、调谐器等的音频信号注入,音量控制电位器置于中间位置,连续开机lh左右,机内务部分均无异常现象时,即可认为初装顺利。
但在初次装配中不可避免地会出现诸多问题,如交流声、杂声、失真等不正常现象。现作如下简要分析,将整机故障予以排除。
九、整机故障排除
1.无声故障
开启电源开关后,毫无声息,经过检查,发现机内的保险丝已经熔断。

如图10(a)保险丝中间熔断。装上符合规格的保险丝,如再次熔断,则表明机内有局部短路现象或过电流现象。
图10(b)熔断后呈珠状。表明机内产生瞬时大电流过载,如强信号注入造成功放瞬时产生大电流,或机内本身产生自激振荡所致。
图10(c)管壁上起白色花纹。功放级或电源部分有击穿与短路现象,如电源滤波电容或前级去耦电容击穿,功放级输出变压器级间绝缘不良,造成局部极间短路。
图10(d)管壁发黑或爆裂。电源变压器内部短路,电源整流二极管击穿,高压回路对地短路,产生浪涌大电流而引起。
机内严重故障排除后,检查无声故障在未入手之前,先要检查扬声器与输出变压器之间是否连接好,如果输出变压器不能将信号送到扬声器中去,而输出变压器本身会微微发声,时间长了,将导致输出变压器一次侧线包烧毁。
全部电压电流检查无误后,即可注入音频信号进行测试。先将音量控制电位器置于中间位置,检查输入端子插口与插座是否接触良好,输人端子至输入电子管栅极的金属屏蔽线是否有短路与开路现象,输入电子管与插座是否接触好,一切检查无误后,如注入信号仍无声息时,则须从下一级进行检查。
将音频信号源的输出端子外层接功放机接地端,信号输出端通过隔直电容器,将音频信号逐一送至倒相电子管、推动电子管的栅极,如扬声器中有声音发出时,则表明故障出在该级的前一级,应仔细检查电路中各元器件是否有损坏,或电路中有管脚错接等情况。
最后可将音频信号送至功放管的栅极,单只功放管的放大倍数有限,而且需要较强的推动功率,故应将输人的音频信号加强,如正常时,扬声器中可发出较轻的响声。
2. 严重交流声故障
电子管功放的交流声比晶体管功放显著一些,对自制电子管功放来说,音箱中若有轻微的交流声属正常状态,但如果交流声非常明显时,则表示功放机中有故障存在。
电源部分引起交流声的概率最大。滤波电容器的容量不足或存在漏电现象时均会导致交流声。当第一级滤波电容严重漏电时,不但交流声大而且直流高压输出偏低;第二级滤波电容严重漏电时,不但交流声大,而且伴有啸叫声。
电源变压器中静电屏蔽隔离层焊接不良或接地不良时,亦会引起调变交流声,但如果电源变压器无法拆开重绕时,其补救办法是在交流电源进线与底板之间跨接一只0.01μF/400V以上的电容器,其缺点是外壳上将有轻微的麻电现象。
此外,电源变压器在安装时,如果铁片直接与底板紧贴,则铁芯所产生的涡流磁场会延伸到底板上,从而诱发交流声。这样可在电源变压器与底板之间加装绝缘垫片,即可减小或消除交流声。
输入前级也容易诱发交流噪声。先将音量电位器关小,如交流声随之减小,音量增大,交流声亦加大时,则表明故障发生在输入级,如输入信号线外层金属屏蔽线接地点不当,会产生感应交流声,可在输入端子插座两端并联lOOkf~小电阻。还有音量电位器外壳接地不良与屏蔽层间产生感应交流声。此外还有输入级接地回路布局不当,输入电子管本身阴极与灯丝间漏电均会产生交流噪声。
倒相级与推动级的栅极电阻接地点不良或阻值偏大也会引起交流噪声。级间耦合电容装置位置不当,受到附近电磁场的感应,应仔细检查布局和接地点的位置。
前级故障排除后,可将前级电子管全部拔去,只余下功放管,是否还存在交流声。当功放管陈旧老化,或者功放管灯丝电压不足均会引起交流噪声,可以调换其他功放管试验。
3.失真故障
当输入信号过强时,时常会引起输入级的过载失真,一般可将音量电位器关小,即可解决。如果所采用的CD、VCD等信号源输出电压偏高时,而音量电位器又控制不便时,则可在输入管栅极回路内串接一只1—3kll的电阻进行衰减亦可解决。
推动级的栅极电阻或阴极电阻阻值过高时,可能会引起阻塞失真,可适当减小其电阻的阻值,以消除其阻塞失真。
级间耦合电容器的质量不佳,或有漏电时均会导致失真,应调换质量好、品质优的级间耦合电容。
推挽功率放大管两管特性相差较大,或两管工作状态完全失去平衡时,音量开得越大,失真现象会越严重,应重新调整或调换功放管,使推挽放大平衡。
功放管与输出变压器的阻抗严重失配时,亦同样会出现音量越大,失真越明显的现象。
此外,功放机的输出阻抗与扬声器音箱的阻抗不匹配时,亦会产生失真。如输出变压器阻抗过小,则音箱的重放声音尖刺;如阻抗过大,则重放声音沉闷。
4.杂声故障
功放机在正常放音时,伴随着不规则的喀喀声或吱吱声称为杂声。首先应排除由交流电源带来的干扰杂声,还有各种家用电器设备带来的厂扰杂声。
可先将前级放大管与推动放大管全部拔去,重点检查功放级与电源级。如电源变压器内部高压绕组绝缘性能不良,时常会产生内部跳火现象可侧耳静听,有助于判断故障所在。
滤波电容器耐压性能不良,内部亦会产生跳火现象。高压电源的滤波电阻质量差或功耗不够时,不但温升高,而且伴有杂声。
功放级的输出变压器,时常也会出现因层间绝缘不良引起内部电火花现象。此外,还有功放电子管本身质量不佳,内部也会出现极间跳火现象,而导致产生杂声。
后级故障排除后,可将前级电子管全部插上,重点检查前级栅极电阻与屏极负载电阻,如装配时采用的是质量不佳的碳质电阻时,由于电阻本身质量不稳定,时常会引起内部接触不良,而导致在回路中时断时通的现象。
前级的各种输人端子接插件内部接触不良,音量电位器内部接触不良,均会产生杂声。
此外,整机焊接质量不佳,接点间存在假焊与虚焊现象时,会出现时通时断的杂声。
前级电子管内部极间跳火或胶木电子管灯座漏电等也会导致杂声。
(责任编辑:admin) |
织梦二维码生成器
------分隔线----------------------------