变压器铁芯的选择:音频输出变压的铁芯体积Vc=Sc×Lc,式中Sc为铁芯的截面积,即等于铁芯中心舌宽A与铁芯叠厚高度H的乘积。Lc为铁芯的磁路长度,一般为中心舌宽A的5倍左右。Bm为磁通密度,—般热轧片为5000—7000高斯;冷轧片为8000-10000高斯。则
Vc=Sc×Lc
=51×Um2/fD2×Lp
=51×2×50×5000/602×17
≈360cm3。
铁芯中心宽度A=(Vc/8)1/3 ≈3.5cm。则
根据标准规格应选用GEIB35型硅钢片铁芯,该铁芯的磁路长度Lc=19cm。
铁芯的叠厚应为H=Vc/A×Lc=360/3.5×19≈5,4cm。则
Sc=A×H=3.5 ×5.4=18.9cm。
一次侧总匝数
Np=450(Lc×Lp/Sc)1/2
=1900匝
二次侧匝数
N1=Np/(Rp/Rz)1/2η
=1900/(5000×0.8/4)1/2
=60匝
N2=1900/(5000×0.8/8)1/2
=86匝
导线直径根据推挽输出中总电流为0.24A推出,为提高传输效率,现电流密度取2A/mm2。则
Ip=(I2+I0)1/2
=[P/R+(Ip/2)2]1/2
=[(50/5000)+(0.24/2)2]1/2
≈0.15A
一次侧的导线直径
dp=0.8(Ip)1/2=0.8(0.15)1/2
≈0.3mm
二次侧导线直径
d2=dp/(1/n2)1/2
=0.3/(86/1900)1/2
≈1.40mm
图4 超线性输出变压器数据图

五、超线性输出变压器的绕制
超线性输出变压器比普通变压器绕制复杂一些,为了取得优良的电性能,在绕制工艺上必须注意如下事项:
要求推挽放大管两组屏极负载回路应完全对称,超线性输出变压器要求以B+为中心端,将一次侧线圈分为P1与P2两组,每组各分成3段,上下相同,相邻放置,同方向绕制。并将二次侧线圈分为3段,夹绕于一次侧中间,这样输出效率高,频响特性好。
一次侧线圈的电感量必须符合技术要求,这样才能满足低音频段频响特性的要求。并选用铁芯截面积足够大的优质GE型硅钢片,如0.35mm的优质冷轧硅钢片或D42以上的热轧高质量硅钢片。
要求线包的漏感和分布电容应尽可能小,这样才能满足高音频段频响特性的要求。为此,一次侧线包必须采取分层分段的交叉叠绕方式。见图5的超线性输出变压器排线图。
图5 超线性输出变压器排线图

六、绕制须知
首先应制作一只与铁芯尺寸相同的木芯,中心钻一只与绕线架相同直径的圆孔,然后再按照铁芯窗口面积制作线框,线框材料可选用1mm厚的胶木板、玻璃纤维板或硬电缆纸板,制成与铁芯窗口相同尺寸的线包框。
两组线圈同时绕制时,须将Qz-2型高强度漆包线分成两筒,并做好定位准确的、能移动的排线木夹,在绕制时只要轻轻来回移动木夹,则漆包线即可自动排整齐。
如果绕制不够熟练,觉得两组线圈同时绕制不方便,亦可分边绕制,但注意每层圈数必须相同。
线包的层间绝缘应采用优质的绝缘电缆纸,由于线包的引出头较多,必须分清头尾,不能接错,在焊接处必须加黄蜡绸包好,以防止短路。
线包绕好与全部焊接好以后,用万用表测量无断路及短路现象存在,即可安装铁芯。对于推挽型输出变压器的铁芯,可采取2—3片交叉安插的方法,不留空隙。
当输出变压器全部安装完毕后,必须先放置在loooc左右的干燥环境中焙烘一h左右,然后乘热放人绝缘清漆中浸至无泡溢出,取出后沥干,再烘24h即可备用。
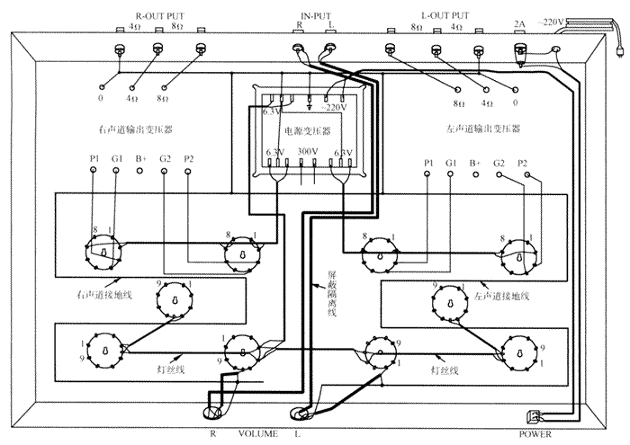
七、合并式功放的装配
在通用底板上先将各种开关、电位器、接线支架、输入与输出接线端子、电子管灯座等小零件逐一装上,陶瓷灯座在安装时必须注意图示方位,这样可以保持接线距离最近。其中电源变压器,左、右声道输出变压器由于体积庞大而笨重,故应该在全部小零件焊接完毕后再安装,因为在安装过程中底板要四面翻动,容易损伤外表。

图6 电子管合并式功放布线图
1.布接地线
接地线的布局以电源变压器为起始点,分为左、右两个声道,采用直径1mm左右的裸铜丝或镀银铜丝,分别焊接在预先安装好的铜质焊片上,由末级输出端子至功放级,然后至倒相级、前置输入级。并注意电源变压器和输出端的大电流接地线不可与输入级的小电流接地线直接形成回路,虽然用万用表测量机内所有接地线均为0Ω,但对交流信号而言电位差较大,布线不当会引起杂声干扰。
2.布灯丝线
合并式功放的灯丝供给分为3组,左声道与右声道功放管各接一组,前级左、右声道合用一组,为防止交流感应,灯丝接线应全部采用绞链方式两根绞合起来,这样交流电磁场即可相互抵消。为减少交流声干扰,灯丝中心抽头必须接地,对未设灯丝中心抽头的电源组可在灯丝两端各接100Ω—200Ω一只,用电阻的中心抽头接地,亦可收到同样的效果。
3.屏蔽隔离线
输入管栅极的灵敏度很高,极易产生交流杂波信号的干扰,由于输入管栅极与输人接线端子与音量控制电位器引线较长,所以必须采用金属屏蔽隔离线,其外层金属编织线的接地端,应安排在输入管阴极接地处。
4.装高压电源部分
电子管功放的高压电源部分比晶体管功放电源线路简单,调试容易,无需稳压与大电容滤波等,这主要因为电子管功放为高电压小电流型,功放级的静态电流与满载电流变化较小,一般在0.2—0.5A之间波动,故滤波电容器的容量有几十μF已能满足;而晶体管功放属于低电压大电流型,零信号与满信号时电流变化很大,一般在0.5—5A之间变化,所以滤波电容必须用几千至几万μF才行。但电子管功放对于抑制交流声比较复杂,在设计与布线上必须考虑周到,如高压电源的走线,电源变压器的安装位置,外界电磁场的辐射等。
本功放的高压电源部分由桥式整流后,分为左、右声道两部分进行供给,采用CRC组成的丌型滤波网络,总电源由桥式整流后直接对地,前级高压电源的去耦电容分别在左、右声道就近端接对地,由于高压电源的内阻较小,效率高,故能获得较小的波纹系数。高压电源的走线应采用接线支架支撑起来,以防止与机内各级产生干扰。
5.装各级元器件
为防止杂讯干扰,本机的电阻均应使用金属膜电阻,除注明功耗外,一律采用1W金属膜色环或大红袍电阻。
耦合电容器对整机的影响很大,可采用专用音响电容或CBB聚丙烯电容、CZM油质电容等转换速率快的电容。对有极性的电容作级间耦合时,其极性不能接反,高电位接电容器正端,低电位接负端,这样有利于在电路中正常充放电。同时所用电容不可有轻微漏电,可用兆欧表检测后再装上,因为稍有漏电的电容,则电容的电阻特性加大,损耗增加,并导致放大器产生相移与互调失真。
音量控制电位器在安装前也应检测一下,不可有跳越与死点存在,否则会引起接触噪声。应选用密封式WTH—1W-Z型或S型均可,但不可使用X型的线性电位器作音量控制,因为音量控制器必须采用指数式,这样才能符合人耳的响度特性。
安装各级阻容等元件必须做到一点接地或就近接地,以防止交叉干扰。特别是各级的栅极电阻、阴极电阻与旁路电容的通地尤为重要,两者之间不能再有导线存在,否则极易产生感应交流声,因为如果使用导线,难免有些电阻,就形成了电位差,即等于在阴极与栅极之间串接了一个交流源,经过逐级放大后,即会产生明显的交流声干扰。
各级电子管屏极与栅极的走线或元件,应尽量地远离,不能贴紧。为了便于分辨,一般高压线用红色,电子管屏极用橙、黄色,栅极用蓝、绿色,阴极用棕、黑色。
电子管栅极的阻抗较高,灵敏度也很高,为了防止空间电磁场的干扰,不能与直流高压走线或元件交叉及紧贴,为此,在安装时可将阴极电阻、栅极电阻尽量贴近底板,而屏极元件采用搭棚架空法置于最上层。

图7 电子管合并式功放元件装配图
八、合并式功放的调试
全部零件安装焊接完毕后,再将电源变压器,左、右声道输出变压器全部装上,并将全部元器件与电路图仔细对照一遍,是否存在漏焊或接错之处,一切无误后才能进行调试。
调试前应将输出端子接上假负载,可选用100Ω以内、10W以上的电阻代替。然后再将功放电子管插上,开机3分钟后,密切注视所有零部件的温升是否正常,不可有跳火或冒烟等不正常现象出现。
功放电子管的配对工作不像晶体管那样严格,因为同一型号的晶体管其放大倍数等参数相差很大,而电子管的放大系数相差不大,只要采用同一型号、同一厂家的同批量产品,其性能参数基本相同,其配对工作可以省略。
1.测量各级直流电压
电源变压器高压绕组的输出交流电压为300V时,经由二极管组成的桥式整流电路后,第一级的直流高压应为420V,再经CRC组成的滤波平滑网络后,将获得400V左右的直流高压,分别供给左、右两声道功放使用。
推挽功放电子管如采用EL34、6L6等管时,其屏极电压应在360—400V之间。功放管阴极电阻的阻值根据功放类型而定,如阴极电阻取25011时,当功放级总电流为100mA时,则功放管阴极对地电压应为24—26V。
推动管6N6的屏极直流电压为280—320V,如作A类放大时,阴极电阻如取20—24kΩ时,其阴极对地的直流电压为14—16V;如作AB类放大时,阴极电阻可取30—47kΩ,这样交流信号输出电压可以增大,阴极对地直流电压可达到25-30V。
输入电压放大管6N1l的屏极直流电压为160—180V,中间阴极输出端的对地直流电压为80-90V,并与倒相管栅极直接耦合。
倒相电子管6N11的屏极电压为240—260V,阴极对地电压为85-90V,该管的栅极电位应比阴极电位低2V左右。
如果在电子管选购中,6N6、6N11双三极电子管难以购得时,亦可采用6Nl、6N2等普通双三极管来代替。如用6N8P、6N9P等双三极管时,其管座应由小九脚灯座调换瓷八脚灯座。在采用普通双三极管代用时,必须注意的是:输入电子管与倒相电子管的阴极对地电位不能取得过高,因为普通双三极电子管阴极与灯丝间的耐压极限电压仅为100V,所以阴极电位必须控制在80V以下才行。
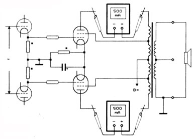
2.A类功放的调试
A类功放管的工作状态必须保持在栅压屏流特性曲线中心的直线部分,因此对A类功放管的栅极负压应进行仔细的调校,以确保平均屏流数值的恒定,功放管的平均屏极电流应控制在100,120mA。
具体的校准方法是,采用直流电流表500mA档,分别串接在功放管的屏极回路内,功放管栅极有音频信号输入时,如果屏极电流升高,则表示该功放管的栅极负压过低;反之,如在有音频信号输入时,功放管的屏极电流随之降低,则表明栅极负压过高。因此,A类功放的屏流变化必须保持在10%左右,如果屏流变化较大时,则表明工作状态不稳定,或已经进入AB类的工作状态之中。

图8 A类功放级屏流校准图
3.AB类功放栅负压调整
AB类功放级的栅负压调整必须在注入音频信号后进行。功放管的栅极负压是对阴极而言,因此,在测量时应将万用电表置于直流电压50V档上,将负表棒接功放管的栅极,正表棒接功放管的阴极。
(责任编辑:admin) |