|
中放曲线图 除此之外,中放电路并无特别之处。 灯丝回路扼流线圈与高频头中的相同。曾用几个不同的扼流线圈试验,未见明显差异。然而在此需要再次提醒的是,电容器应使用金属膜电容。
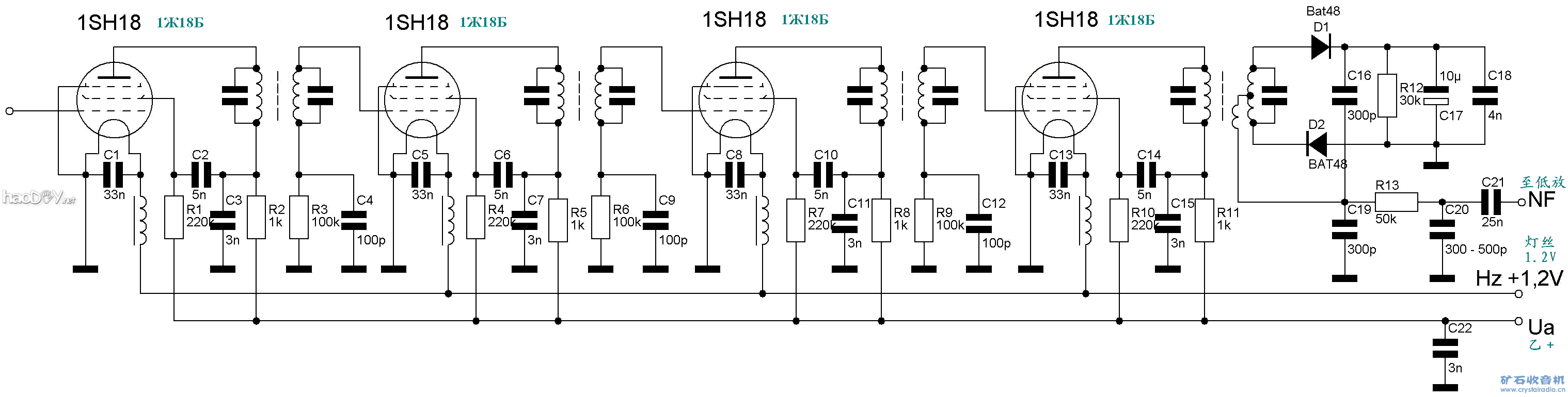
上图为用 1Ж18Б 制作的中放级 下图为用 1Ж18Б 中放级印板的元件布局图
上图有一小小失误:印板左侧的“7”字丢失,应为75mm。
临界状态可通过改变栅极电压(确切此说是改变帘栅极电压)进行调整。 中周采用奥珀曼(Oppermann)公司产品(33圈,33pF),也可以使用 Gerd 公司产品。但此时需要改变印板设计,或飞线焊接。 Gerd 公司的中周与所使用的中周效果相当,另外发现(可惜是后来才知道)还可以作为比例鉴频线圈,且工作稳定可靠(注意LP接线)。 比例鉴频器线圈的制作: L1:25圈;C:56pF;在上面绕制耦合线圈11圈 L2:双线并绕13圈;C:56pF
比例鉴频曲线 低放级由两只1Ж18Б和一只1Ж29Б(用作功放管)构成。五十岁左右有自制爱好的人,多对声音有特殊的感觉。因而应根据对声音的喜好来选用不同阻尼的电子管。 低放印板: (责任编辑:admin) |



























