最好的电子音响科技diy制作网站

haoDIY_音响电子电脑科技DIY小制作发明

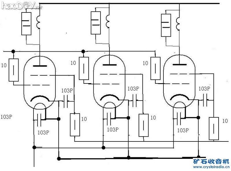
无高压变压器的油冷式hf功放(2)

时间:2013-03-02 22:19来源:www.crystalradio.cn 作者:BG4EZC 点击:
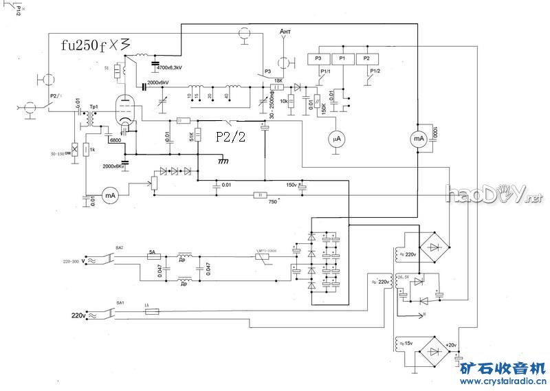
7.JPG (105.44 KB, 下载次数: 15) 油冷式HF功放,出生了 D_1.jpg (28.37 KB, 下载次数: 16) D_2.JPG (57.03 KB, 下载次数: 13) D_3.JPG (45.77 KB, 下载次数: 14) D_4.JPG (54.78 KB, 下载次数: 9) D_5.JPG (50.08

 

无高压变压器的油冷式hf功放

 

7.JPG (105.44 KB, 下载次数: 15)

 

无高压变压器的油冷式hf功放


油冷式HF功放,出生了
 

D_1.jpg (28.37 KB, 下载次数: 16)

 

无高压变压器的油冷式hf功放

 

D_2.JPG (57.03 KB, 下载次数: 13)

 

无高压变压器的油冷式hf功放

 

D_3.JPG (45.77 KB, 下载次数: 14)

 

无高压变压器的油冷式hf功放

 

D_4.JPG (54.78 KB, 下载次数: 9)

 

无高压变压器的油冷式hf功放

 

D_5.JPG (50.08 KB, 下载次数: 12)

 

无高压变压器的油冷式hf功放


(责任编辑:admin)
织梦二维码生成器
顶一下
(0)
0%
踩一下
(1)
100%
------分隔线----------------------------
发表评论
请自觉遵守互联网相关的政策法规,严禁发布色情、暴力、反动的言论。
评价:
表情:
用户名: 验证码:点击我更换图片